Таким методом можно отследить происхождение фальшивых купюр, копий секретных документов, определить подлинность произведений искусства.

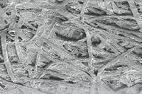
На первый взгляд любые два листа бумаги выглядят одинаково, но на самом деле расположение волокон в каждом листе уникально. Ученые утверждают, что для численного представления структуры волокон достаточно стандартного сканера с разрешением 1200 точек на дюйм и обработки изображения написанной ими программой.

Если лист бумаги находится в хорошем состоянии, то, по мнению ученых, точность идентификации с помощью «отпечатков» близка к 100%. Если же бумага промокла или испачкана, задача усложняется, но алгоритмы коррекции ошибок и здесь позволяют идентифицировать документ с высокой точностью.