.jpg)
В 1842 г. Ада Лавлейс написала в своих эпохальных примечаниях к описанию аналитической машины Чарльза Бэббиджа следующие пророческие слова: «Предположим, например, что фундаментальные отношения тонов в науке о гармонии и музыкальной композиции были подвержены такого рода преобразованиям (выражаясь современным языком, речь идет о программировании аналитических выражений. — Ю.Ревич ), тогда машина может составлять детально разработанные на научной основе музыкальные пьесы любой сложности и протяженности».
В течение первой пары десятилетий существования цифровых вычислительных машин в виде громоздких монстров, стоивших миллионы долларов и занимавших целые залы, никто не разрабатывал для них специальные устройства воспроизведения звука — если, конечно, не считать устройств сигнализации. Тем не менее уже тогда находились энтузиасты компьютерной музыки, последовавшие в направлении, указанном Адой Лавлейс. На одном из первых компьютеров в мире с хранимой в памяти программой, австралийской машине CSIRAC, запущенной в 1949 г., в 1950—1951 годах проводились эксперименты с цифровой музыкой. Для этого математиками была разработана специальная программа компьютерного синтеза популярных музыкальных произведений того времени.
Музыка в исполнении CSIRAC не была записана. До недавнего времени считалось, что первая запись компьютерной музыки была сделана в 1957 г. в Bell Labs с помощью одного из компьютеров фирмы IBM. Однако в 2008 г. сотрудники BBC обнаружили, что одновременно с австралийцами подобные эксперименты проводились и в Англии, на первой в мире экспериментальной машине фон-неймановской архитектуры SSEM (Baby), построенной в 1948 г. В 1951 г. мелодии SSEM были записаны BBC во время визита в Манчестерский университет.
Энтузиастами «компьютерного разума» (очень популярная в 1950-х—1960-х годах тема), разумеется, были предприняты попытки заставить компьютер сочинять музыку. В основе алгоритмов лежала идея об использовании генераторов случайных чисел, интерпретируемых как нотные знаки. Из полученного потока отбирались лишь те ноты, которые удовлетворяли определенным правилам, заимствованным из музыковедческой литературы и отражавшим специфику восприятия музыки человеком. Интересно, что советский энтузиаст этого направления Рудольф Хафизович Зарипов стал всемирно известен тем, что ему первому в мире удалось научить машину синтезировать одноголосные мелодии в духе популярных песен — западные эксперименты касались в основном формальной стороны дела. Впрочем, профессиональные музыканты, в отличие от восторженных ученых-кибернетиков, на эти попытки реагировали осторожным «…оставляют неординарное эстетическое впечатление…».
Подобные работы, по словам крупнейшего отечественного кибернетика Д. А. Поспелова, имели «немаловажное значение для понимания возможностей ЭВМ в этой сфере», но почти никаких практических последствий не имели. Основные истоки компьютерного звука лежали в другой плоскости, хотя и тоже связанной с развитием электроники. Это появление в 1970 г. доступного по цене электронного синтезатора Роберта Муга, а также возникновение в начале 1980-х годов секвенсоров (первоначально — не программ, а автономных устройств для записи управляющих команд с клавиатуры синтезатора) и связанного с ними стандарта MIDI, по самой своей природе идеально поддающегося переводу на компьютерную платформу.
Все эти новшества относятся в основном к созданию музыки, тогда как рядового пользователя куда больше интересует вопрос воспроизведения. Но в этой части персональные компьютеры еще долго — более десятилетия — отставали от специализированной аудиоаппаратуры, хотя уже в начале 1980-х годов появились ПК с довольно совершенными звуковоспроизводящими системами. Но они были рассчитаны на синтезированную музыку — в основном как составную часть компьютерных игр.
Особенности оцифровки звука
Современному читателю, вероятно, не нужно расжевывать принципы оцифровки аналогового колебания, позволю себе напомнить лишь основные положения. Метод простейшей оцифровки, называемый импульсно-кодовой модуляцией (ИКМ, или, по-английски, PCM), схематично показан на рис. 1, слева. В определенные моменты, равномерно распределенные по времени, амплитуда колебания измеряется с помощью аналого-цифрового преобразователя (АЦП). Полученные данные записываются подряд и представляют собой цифровую копию звуковой волны. Промежуток между измерениями Δt называется периодом дискретизации, а соответствующая ему частота Fд — частотой дискретизации. Часто вместо коряво звучащего термина «дискретизация» употребляют слово «квантование», что одно и то же.
![]() |
| Рис. 1. Принципы оцифровки звуковой волны (слева) и обратного преобразования в аналоговые колебания (справа) |
На рис. 1 справа приведен график восстановленного колебания, оцифрованного с параметрами, указанными на рис. 1 слева. Как видим, он мало напоминает исходное колебание. Частота дискретизации нами специально была выбрана достаточно низкой, чтобы проиллюстрировать основное теоретическое положение в оцифровке звука (его еще называют теоремой Котельникова-Найквиста): частота дискретизации должна не менее чем вдвое превосходить максимальную частоту записываемого звука. В противном случае неизбежны искажения исходного сигнала — его будет невозможно восстановить в исходной форме, что мы и наблюдаем на рис. 1 справа.
Второй основной параметр оцифрованного звука — разрядность преобразования. Для первых звуковых карт и простейших преобразователей вроде описанного ниже Covox она была равна 8 битам, что составляет 256 ступенек-градаций. Учитывая, например, что отношение самого тихого звука к самому громкому звуку в записи симфонического оркестра может составлять более 100 тыс. раз, 256 градаций для оцифровки реальных звуков, разумеется, совершенно недостаточно. Поэтому в формате Audio CD остановились на 16-битном преобразовании (около 65 тыс. градаций). Однако в качественных преобразователях того времени разрядность АЦП могла быть и больше: 18 и даже 20 бит. Зачем?
Исходя из того, что человек слышит звук в диапазоне частот 15 Гц—20 кГц, принято считать, что для корректного воспроизведения звуковой волны достаточно частоты дискретизации около 40 кГц. Например, в стандарте CD Audio частота дискретизации равна 44,1 кГц. Однако такое положение справедливо лишь в идеальном теоретическом случае, на практике же при этой частоте в слышимую область вылезают так называемые шумы квантования. Их уровень связан с разрядностью и частотой дискретизации пропорциональной зависимостью — чем больше разрядность и частота, тем меньше шумы. Причем каждый лишний разряд квантования эквивалентен учетверению частоты. Однако реально существующие АЦП большой разрядности были дороги, медленны и капризны, и потому тогда дешевле было повышать частоту, фиксируя разрядность преобразования на каком-то приемлемом уровне.
Именно по этим причинам качественный звук цифруется с частотой до 96—192 кГц, а разрядность преобразования при этом может достигать 24 и даже 32 бит. Заметим еще, что в реальных устройствах воспроизведения обратное цифроаналоговое преобразование не происходит по тупой схеме, показанной на рис. 1 справа. Для улучшения качества звука частоту дискретизации повышают искусственно, вводя дополнительные промежуточные отсчеты по различным алгоритмам интерполяции. Это не позволяет, конечно, восстановить потерянные при оцифровке нюансы формы сигнала, но заметно повышает отношение сигнал/шум.
Из описанной зависимости вытекает одно интересное следствие: увеличение частоты дискретизации позволяет снизить разрядность преобразования – вплоть до 1 бита. Так устроен, например, формат SACD, где однобитный поток имеет частоту дискретизации 2,8224 МГц. В различных алгоритмах с использованием сжатия (например, в пресловутом MP3) применяют еще оцифровку с переменной частотой дискретизации. При этом часто используется термин «битрейт» (переменный или постоянный), который не следует путать с частотой дискретизации. Битрейт характеризует величину потока данных, число битов в секунду, передаваемых по звуковому каналу, и по смыслу он идентичен понятию скорости информационного канала.
Amiga, Commodore, Atari и другие
Сейчас многие уже забыли, что в 1980-е годы ни Apple, ни IBM PC не были ведущими платформами на складывающемся рынке персоналок. Так, к 1987 г. 25 млн IBM-совместимых компьютеров всех производителей составляли лишь около трети проданных ПК, а 6 млн Apple II — так и вовсе менее 10%. При рассмотрении их конкурентов в те годы не всегда понятно, почему же именно IBM и Apple впоследствии стали лидерами — практически все остальные были совершеннее или как минимум гораздо дешевле.
Не нужно, однако, думать, что звуковоспроизводящие системы этих «более совершенных» хоть в чем-то напоминали современные. Проигрывать музыку на компьютере было тогда нечем — компьютерные CD-приводы впервые появились лишь в 1985 г., а в ранг стандартного оборудования они начали переходить лишь через десятилетие, когда ПК стали сплошь «мультимедийными». Ни о каких, разумеется, «форматах музыкальных файлов» и речи еще не шло: 1 мин цифровой записи в формате Audio CD занимает, как несложно подсчитать (частота дискретизации 44,1 кГц, 16 бит без сжатия на каждый из двух стереоканалов), около 10 Мбайт — это без учета служебных полей и дополнительных битов коррекции. Во времена, когда вся оперативная память компьютера могла составлять 64 Кбайт и менее (например, Apple II до 1983 г. выпускался с памятью 48 Кбайт), записанный заранее звуковой файл было просто некуда загружать.
По этим причинам в компьютерных играх тех времен звук не записывался, а целиком синтезировался программным путем в реальном времени. Для синтеза такого звука на популярных платформах того времени были придуманы довольно изощренные устройства.
Лидировала на рынке домашних ПК в то время компания Commodore. Модель Commodore 64 стала родоначальником целой компьютерной субкультуры под названием «демосцена», и, между прочим, до сих пор считается самой продаваемой моделью домашнего компьютера в истории — с 1982 по 1995 г. было продано около 17 млн экземпляров. Кроме того, Commodore владела фирмой Amiga, выпустившей в 1985 г. весьма продвинутый мультимедийный компьютер Amiga 1000. И наконец, ее подразделением стала к тому времени и MOS Technology, что позволяло компании самой выпускать компоненты для своих изделий.
Заслуживает упоминания и фирма Atari, которая специализировалась на игровых автоматах и консолях и, кроме этого, выпускала популярные ПК. Причем первые модели Atari 400 и 800 были объявлены еще в 1979 г., на два года раньше IBM PC. В основе звуковой системы всех этих ПК лежал тот или иной специализированный чип звукогенератора, а музыкальное сопровождение состояло из потока команд, которые им управляли (см. врезку).
Кроме фирменных разработок, существовали и универсальные решения, употреблявшиеся для создания звуковых компонентов в моделях многих производителей. Самым известным из таких решений, безусловно, был чип General Instruments AY-3-8910. Он выпускался многими фирмами, в том числе и под другими названиями (например, YM2149F фирмы Yamaha), использовался в игровых автоматах, телеприставках и в многочисленных моделях ПК (включая, к примеру, знаменитый ZX Spectrum и его многочисленные клоны). На его основе фирмой Sweet Micro Systems была разработана карта Mockingboard, позволившая, наконец, обрести нормальный звук и компьютеру Apple II, в оригинале выпускавшемуся с простым динамиком для сигнализации.
А что касается IBM PC, то первую попытку озвучить свой ПК предприняла сама IBM.
Звукогенераторы
Устройство микросхемы звукогенератора General Instruments AY-3-8910 характерно для всех подобных чипов того времени. Он имел три программируемых генератора прямоугольных импульсов, один дополнительный канал шума и отдельный генератор огибающей, позволявший смесь остальных генераторов модулировать с помощью специального логического микшера. Раздельные выходы звука трех импульсных каналов могли быть смешаны как в монофонический, так и в псевдостереофонический сигнал. Управление всем этим хозяйством осуществлялось через два порта ввода-вывода, адресующих шестнадцать 8-разрядных регистров, через которые задавались режимы работы генераторов.
Решения других производителей отличались в деталях, иногда довольно существенных, и потому у каждой платформы были свои фанаты и ненавистники. Так, микросхема SID (MOS Technology 6581), использовавшаяся в Commodore 64, могла синтезировать полифонический звук на основе трех независимых генераторов частоты, с четырьмя различными формами сигнала для каждого из них, имела многорежимный выходной фильтр, возможность подключения внешнего источника в качестве четвертого канала и много других особенностей. В ее состав входили два отдельных 8-разрядных АЦП, использовавшихся для подключения игровых манипуляторов, а также мыши — функциональность, впоследствии ставшая стандартом для звуковых карт.
PC пытается обрести голос
В оригинальном IBM PC, как и в первых моделях Apple, существовал однотональный динамик-спикер. Управлять этим динамиком можно было, направляя на него запрограммированный на нужную частоту сигнал одного из каналов системного таймера 8255. Таким образом можно было даже воспроизводить простейшие мелодии, но в реальности этим занимались немногие — слишком примитивным был звук, к тому же неуправляемый по громкости. Интересно, что интерфейс этой функции прошел без изменений через все модификации платформы PC — и нынешние навороченные системные платы на основе какого-нибудь Core i7 снабжены точно такой же «пищалкой», управляемой через 8-разрядный порт 61h.
В 1983 г. IBM попыталась выйти на рынок домашних компьютеров, выпустив модель PCjr. В числе прочих усовершенствований «Junior» был снабжен генератором звука на основе микросхемы Texas Instruments SN76496. Она также использовалась в приставках Sega и в некоторых других моделях ПК. В целом она несколько напоминает AY-3-8910 (три канала генерации прямоугольных импульсов, генератор шума, 6-битный регулятор громкости, а также возможность воспроизводить звук с внешнего канала), но примитивнее ее — например, в ней отсутствуют общий управляемый делитель входной тактовой частоты и генератор огибающей, что значительно снижает количество доступных звуковых эффектов.
PCjr не имел коммерческого успеха — слишком дорогой для домашнего рынка (2000 долл. в полной комплектации), с недостаточным для такой цены объемом ОЗУ (128 Кбайт), примитивной 4-битной цветной графикой CGA (640×200 точек, 16 оттенков) и неполной совместимостью с остальной линейкой PC. В 1985 г. его выпуск был прекращен, однако семейство PC недолго оставалось без звуковых возможностей. Правда, заслуги IBM в этом нет — постарались другие, реализовав одну из самых простых и остроумных идей за все время существования персональных компьютеров.
Легендарный Covox
Параллельный порт LPT (Line Print Terminal, основное назначение которого, как следует из названия, — подключение принтера), в своей простейшей форме представляет собой 8-разрядную линию передачи данных в стандартных 5-вольтовых уровнях, причем он на пару порядков быстрее стандартного последовательного порта COM. Поэтому до того как появились дешевые скоростные интерфейсы вроде USB и FireWire, LPT пытались приспособить для самых разных нужд — для управления внешними устройствами, передачи данных между компьютерами, в качестве программатора микросхем, интерфейса для подключения сканеров, фотокамер и т.п. В 1986 г. фирма Covox Inc. догадалась пристроить к этому порту простейший цифроаналоговый преобразователь и выпустила в продажу устройство под названием Covox Speech Thing. Если направить поток оцифрованного звука (неважно, синтезированного или записанного) в принтерный порт с подключенным «ковоксом», а выход его подключить к любому усилителю, то можно получить звук вполне приемлемого качества.
Covox (в родных пенатах его называли, разумеется, «совокс») стал эпохой в компьютерном звуке — достаточно сказать, что большинство популярных компьютерных игр начала 1990-х годов поддерживали это устройство, а драйверы, перенаправлявшие звуковой поток в принтерный порт, включались в Windows вплоть до версии Windows 98. Оригинальное фирменное устройство продавалось по цене 70 долл., в несколько раз дешевле появившихся вскоре звуковых карт, но любители быстро «разлочили» оригинал и обнаружили, что вся его схема стоит из полутора десятков резисторов, себестоимость которых вместе с LPT-разъемом гораздо меньше этих 70 долл. Потому многие умельцы, особенно в нашей стране, воспроизводили Covox самостоятельно, даже не подозревая, что имеется и фирменный оригинал. В результате появилось множество любительских вариантов схемы, для самых разных платформ (клоны ZX Spectrum, Amiga, советских БК и т.п.), в том числе и в виде вставных ISA-карт. С появлением в начале 1990-х годов двунаправленной версии LPT под названием EPP умельцы стали дополнять схему входным АЦП, что позволяло не только воспроизводить, но и записывать звук.
Covox — одно из немногих компьютерных устройств, доступных для повторения даже неопытными любителями (см. врезку). Следует отметить, что при надлежащей тщательности исполнения, по свидетельству знатоков, Covox воспроизводит звук не хуже бюджетных звуковых карт — правда, только монофонический, так как ПК с двумя LPT-портами бывают лишь теоретически и существующие программы этот случай не предусматривают.
Covox своими руками
В настоящее время драйверы Covox включены в эмулятор DOSBox (в виде поддержки несколько усовершенствованного варианта под названием Disney Sound Source), а через DOSBox в современных системах доступны любые DOS-программы, в том числе и игровые, ориентированные на Covox. Не составляет труда и написать самодельную DOS-программу, направляющую звуковой поток из несжатого WAV-файла в принтерный порт
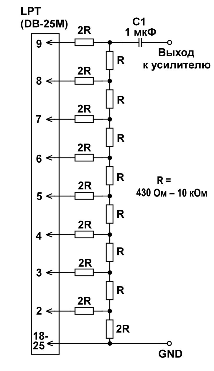
В Интернете вы можете разыскать неисчислимое количество вариантов схем этого устройства, многие из которых содержат грубые ошибки. На рис. 2 приведена корректная схема простейшего 8-разрядного цифроаналогового преобразователя, подключаемого к порту LPT (на схеме указаны контакты LPT-разъема). Подключать схему можно к линейному входу любого усилителя, однако в некоторых случаях целесообразно еще снабдить ее по выходу отдельным регулятором громкости, чтобы не перегружать этот вход и не вносить дополнительные искажения.
![]() |
| Рис. 2. Схема простейшего Covox |
Главный из недостатков схемы, представленной на рис. 2, заключается в том, что так называемая цепочка R-2R, лежащая в ее основе, требует очень точной подгонки резисторов по номиналу, особенно в младших разрядах (выводы 2—5 порта). Так что, если захотите повторить устройство своими руками, учтите, что резисторы следует выбирать прецизионные (с допуском не хуже 0,25%), а при отсутствии такой возможности — как минимум следует взять все резисторы из одной заводской партии и дополнительно отобрать их с помощью омметра. Два кратных номинала приобретать необязательно и даже нежелательно, так как подбор станет в этом случае гораздо сложнее, номинал R составляется из двух параллельно включенных резисторов номиналом 2R.
Иногда схему дополняют еще простым фильтром низкой частоты из параллельно подключенных конденсаторов на выходе — это имеет смысл, чтобы дополнительно сгладить цифровые «ступеньки». Только учтите, что «развязывающий» конденсатор С1 на выходе, отсутствующий в ряде любительских схем, нужен обязательно!.
Начало эпохи звуковых карт
Считается, что первую отдельную звуковую карту для PC выпустила сингапурская компания Creative Technology в 1987 г. Устройство под названием Creative Music System (C/MS) все еще было синтезатором, а не устройством для воспроизведения записанного звука. В ее основе лежали два чипа Philips SAA1099, по возможностям аналогичные упомянутой выше микросхеме General Instruments AY-3-8910. Хотя карта C/MS и имела стереовыход, она не получила большого распространения — цена в 300 долл. показалась покупателям слишком высокой. Тем более что почти одновременно появился куда более дешевый конкурент: карта AdLib одноименной канадской компании ценой всего в 100 долл. Она была построена на весьма продвинутом чипе YM3812 фирмы Yamaha — 9-канальный FM-синтезированный 10-разрядный звук превосходил все существовавшие аналоги. FM-синтез (см. далее) не требовал памяти, что позволяло сократить объем игр — аудиофайлы с музыкой для AdLib чем-то походили на MIDI.
Creative Technology извлекла уроки, и в 1989 г. возникла знаменитая торговая марка Sound Blaster, на целое десятилетие ставшая фактически синонимом названия «звуковая карта». Первая версия Sound Blaster была совместима со своим конкурентом AdLib в части синтеза (она также содержала микросхему YM3812), но, кроме того, умела воспроизводить заранее созданные файлы и даже записывать их. Пока, правда, с невысоким качеством — 8-битный монозвук с частотой дискретизации 22 кГц, но и эти возможности пришлись пользователям по душе. В первой Sound Blaster появились гейм-порт и порт MIDI, надолго ставшие стандартом для звуковых адаптеров.
Стереозвук, а также поддержка привода CD появились в версии Sound Blaster Pro (1991), а в модели Sound Blaster 16 (1992) добавилась поддержка «волновых таблиц» (см. далее) и полноценного звука формата Audio CD. Популярности Sound Blaster сильно поспособствовала Microsoft, в 1991 г. включившая эту карту в историческую спецификацию Multimedia PC, а в 1994 г. выпустившая специальные API под названием Direct Sound для программной поддержки Sound Blaster 16 и ее потомков. В следующем году они вошли в состав DirectX, с чего началась история игр на платформе Windows — до этого компьютерные игры на PC работали только в DOS-режиме, позволявшем программисту непосредственно управлять аппаратными ресурсами. Возможности DireсtX применялись не только в компьютерных играх, их заимствовали ученые и инженеры для своих программ.
С картами Sound Blaster произошла история, в некотором роде аналогичная персональным компьютерам IBM PC. Первые карты не были защищены патентами и имели открытую спецификацию. В результате в начале 1990-х годов возникла ситуация, когда все домашние компьютеры назывались IBM PC, а все звуковые карты — Sound Blaster, хотя большинство из последних были лишь клонами оригинальной продукции Creative Technology. Однако, в отличие от IBM, Creative Technology удалось вовремя остановить поток клонов — уже Sound Blaster 16 был обложен патентами с ног до головы. Как во всех таких случаях, это имело двоякие последствия: где-то до 1996 г. Creative сохраняла почти монопольное положение на рынке компьютерного звука, но потом ей пришлось потесниться.
От FM-синтеза к трехмерному звуку
В первых звуковых картах конца 1980-х годов для создания звуковых эффектов использовались FM-синтезаторы. Довольно простая в своей основе технология «частотной модуляции» в 1967 г. была переведена в цифровую форму студентом Стэнфордского университета Джон Чоунингом, использовавшим наработки сотрудника Bell Labs Макса Мэтьюса, писавшего программы для цифрового синтеза музыки на компьютере еще в начале 1960-х годов. В середине 1970-х годов Чоунинг продал патент компании Yamaha, которая перевела его программы на аппаратный уровень и в начале 1980-х выпустила один из самых продаваемых музыкальных синтезаторов в истории — Yamaha DX-7. Упоминавшаяся микросхема YM3812, использовавшаяся в первых звуковых картах, была в числе чипов, созданных в Yamaha первоначально именно для создания музыкальных синтезаторов c FM-технологией.
В середине 1990-х годов компьютерная память подешевела настолько, что стало возможным хранить в ней заранее записанные фрагменты звучания музыкальных инструментов. Метод воспроизведения путем выборки заранее записанных звуков (сэмплов) получил название «волновых таблиц» (wave tables). В 1994 г. Creative выпустила карту Sound Blaster AWE32 с поддержкой «волновых таблиц» на основе собственного звукового процессора EMU8000. Процессор мог адресовать до 28 Мбайт памяти, хотя стандартная комплектация карты включала всего лишь 1-Мбайт ПЗУ, чего было, впрочем, достаточно для хранения звуков по стандарту General MIDI (около 200 различных инструментов). В 1996 г. была выпущена модификация Sound Blaster AWE64, где объем памяти был доведен до 4 Мбайт, а число одновременных голосов увеличено до 64 (против 32 у предшественника).
Тем временем в компьютерах получила распространение шина PCI, которая была куда быстрее старой ISA. Это дало возможность размещать сэмплы в основной памяти компьютера в практически неограниченном количестве. Creative сначала оказалась не готова к этой революции и в течение полутора лет молчала, лишь в середине 1998 г. выпустив две PCI-модификации отлично зарекомендовавшей себя AWE64. Стали поговаривать о закате легендарной марки Sound Blaster, а рынок начал поворачиваться к другим производителям — Diamond Multimedia, ESS и все той же Yamaha в области Hi-End-продуктов.
Наконец, в конце 1998 г. Creative выпустила карту Sound Blaster Live!, которая позволила ей почти восстановить свое былое доминирование. Не успев окончательно доработать новый чип, она сделала хитрый ход: выпустила аудиопроцессор EMU10K1 со сменным внутренним микрокодом. Это позволяло путем простого перепрограммирования самой карты и драйверов значительно повысить характеристики устройства. Прием, который в настоящее время используется повсеместно (большая часть усовершенствованных моделей «железа» именно так и создается), тогда еще был в новинку и даже применялся в рекламе.
Но главной особенностью новой карты был не сменный микрокод, а новая технология под названием EAX. И до этого производители звуковых карт экспериментировали с трехмерным звуком, для чего в DireсtX даже были включены дополнения в виде DirectSound3D. Они позволяли путем наложения различных эффектов имитировать в игровых сценах пространственный звук — так, как будто он перемещается в рамках игровой сцены. Стандарты EAX (Environmental Audio Extension) позволили значительно усовершенствовать пространственные эффекты за счет создания виртуальной звуковой среды окружения. Цифровой сигнальный процессор спецэффектов в режиме реального времени для каждой частоты звукового сигнала рассчитывал параметры реверберации и взаимного наложения сигналов. В результате эмулировалось реалистичное трехмерное звучание источника в большинстве типовых сред, таких как концертный зал, открытая арена, жилое помещение, город, пещера и т.д.
AC’97, HD Audio, далее везде
Где-то на рубеже 2000-х годов история продвинутых звуковых карт для игровых целей начинает уходить в сторону от генеральной линии развития ПК. Если в конце 1990-х вы еще могли выбирать между компьютером вовсе без звука (точнее, с одним простым спикером) и «мультимедийной» моделью с навороченной звуковой системой, то с начала нового тысячелетия все компьютеры обзавелись звуковыми возможностями начального уровня. Расширять их или нет, стало уже внутренним делом пользователя, но проиграть звуковой файл отныне мог любой ПК, включая и ноутбуки.
Началось все с того, что в 1997 г. Intel разработала спецификации под названием AC’97, вводившие стандарт для аудиокодеков на системных платах. Первоначально стандарт предусматривал простой стереозвук «CD-качества», в поздних модификациях была введена поддержка частоты дискретизации до 96 кГц при использовании 20-разрядного стереозвука или 48 кГц при использовании 6-канальной (5.1) записи и воспроизведения. Изначально стандарт имел интересную особенность: спецификация предлагала сразу несколько возможных вариантов реализации — от полностью аппаратного до программного. Последний вариант перекладывал большую часть функций на центральный процессор, а аппаратная часть фактически состояла из одних аналоговых компонентов с линейным выходом, поддерживающим наушники или маломощные колонки. Формально говоря, понятие «линейный выход» (Line Out) означает, что такой разъем служит лишь для подключения внешнего усилителя или устройства записи со входным сопротивлением не менее 10 кОм. На уровень сигнала с такого выхода не действует регулятор громкости, если он имеется в системе. Непосредственное подключение к нему наушников (типичное сопротивление — 16—32 Ом) просто посадит сигнал до неприемлемого уровня. Но производители бюджетных и встроенных аудиокарт, чтобы сократить число соединений, подключают к линейному выходу небольшой усилитель мощности, позволяющий работать и на низкоомную нагрузку. Такой универсальный выход (салатовый цвет по спецификации PC System Design Guide-99), по идее, должен иметь двойную маркировку (например, Phones/Line Out или Line Out/Front Speaker out), но на практике это соблюдается далеко не всегда.
Стандарт был встречен с большим энтузиазмом и производителями системных плат, и покупателями, получившими звуковые функции «бесплатно». Сама Intel впервые реализовала AC’97 в чипсете i810 (1999).
В 2004 г. Intel решила, что возможности AC’97 не отвечают возросшему уровню технического прогресса — по ее мнению, пользователи сплошь привыкли к качеству фильмов на DVD-дисках, где звук был закодирован в многоканальных форматах Dolby Digital и DTS, предполагавших объемное звучание с выходом на шесть—восемь колонок. Потому она выпустила спецификацию Intel High Definition Audio, установившую поддержку до восьми звуковых каналов с кодировкой 192 кГц/32 бита. Производители не очень охотно следовали этому стандарту, и первое время 32-битный звук был реализован далеко не во всех платах с формальной поддержкой HD Audio, а многие фирмы еще долго выпускали платы с поддержкой одного только AC’97. Кроме того, распространилось явление, когда основной интерфейс звуковой карты отвечал HD Audio, а фронтальные выводы (на передней панели системного блока) соответствовали старому AC’97, что вызывало дополнительные сложности в настройках.
HD Audio оказался не слишком удачным решением: он был явно избыточен не только для офисных компьютеров, но и для многих домашних систем. Слишком много надо для того, чтобы полностью реализовать его функции, — большинство пользователей вовсе не желают превращать ПК, даже в настольном исполнении (не говоря уж о ноутбуках), в домашний кинотеатр, с тем чтобы потом вытирать пыль с многочисленных колонок, в основном находящихся в бездействии. А меломаны и игроманы, со своей стороны, воротят нос от интегрированного звука, имеющего один принципиально неустранимый недостаток: аналоговые каналы в цифровом окружении не способны избавиться от шумов и воспроизвести музыкальные композиции, записанные с высоким качеством звучания. И потому возможности HD Audio в подавляющем большинстве случаев пропадают втуне.
В наши дни, когда видео и аудио объединяются в рамках общих интерфейсов, таких как HDMI или DisplayPort, нередко возникает ситуация, когда в системе (тем более, снабженной отдельной видеокартой) оказывается несколько звуковых устройств. Положение усугубляется тем, что эти устройства могут комбинироваться в самых причудливых сочетаниях: например, когда интегрированная карта служит источником сигнала для видеокарты, когда они имеют совершенные автономные звуковые устройства, между которыми нужно выбирать, или оба варианта сразу. Иногда звук выводится наружу через цифровой интерфейс SPDIF, а все преобразования цифра—аналог возлагаются на специальные цифровые звуковые колонки. На мой взгляд, последнее решение — самое правильное, потому что предполагает минимальное количество соединительных кабелей и простое управление качеством путем покупки более дорогой и совершенной внешней системы, без дополнительных вложений в сам компьютер.
Настройка всех этих «наворотов» может вырасти в серьезную проблему, неподъемную для «чайника» — компьютерные сайты переполнены ответами на вопросы типа «Пропал звук на компьютере. Что делать?». Вероятно, ее можно было бы решить очень просто, ограничив функциональность встроенного звука простейшими стереосистемами, которых более чем достаточно для большинства повседневных нужд. Но, возможно, производителям виднее.
Несмотря на то что встроенный звук вполне удовлетворяет потребности широких масс, продолжают развиваться и дискретные решения. Их мы и обсудим отдельно.
.jpg)
.jpg)