Речь идет далеко не о мелочах: к примеру, как обещают производители, для установки мощностью 40 кВА экономия составит около 8700 кВтхч в год.

За исключением коротких перерывов на техническое обслуживание, системы ИБП эксплуатируются по 24 часа в сутки на протяжении многих лет. Теряемая мощность, какой бы незначительной она ни казалась на первый взгляд, суммируется в огромные цифры расходов и отрицательного воздействия на окружающую среду. Поэтому производители систем ИБП активно работают над улучшением КПД. Недавно предложенный подход для выпрямителей и преобразователей тока, названный «фиксацией нейтральной точки» (Neutral Point Clamp, NPC), позволил добиться заметного скачка в производительности.

Предприятия стали уделять особое внимание энергоэффективным системам ИТ с тех пор, как вопрос заботы о климате стал доминировать в общественных дискуссиях, а затраты на электроэнергию стремительно скакнули вверх при отсутствии перспектив прекращения роста цен. Первыми кандидатами на принятие мер по оптимизации потребления ресурсов оказываются центры обработки данных. Списки расточителей энергии возглавляют ИБП. Поскольку они не делают ничего другого, кроме обеспечения энергией подключенных устройств, в том числе в случае потери питания от сети, кажется, что они расходуют электричество крайне расточительно.

При этом часто забывают, что системы ИБП работают без перерывов. Они постоянно преобразуют переменный ток из сети в постоянный ток для питания батареи, чтобы потом, в случае отказа основной сети, поддержать подачу энергии. Однако для питания подключенных устройств необходима обратная трансформация.

Рисунок 1. Оснащенная технологией NPC, версия ИБП на 40 кВА компании Alpha Technologies (название продукта: Tri Power X33T) призвана значительно сократить расходы на электроэнергию и снизить выброс CO2.Такой двойной процесс преобразования приводит к вынужденным потерям и проявляется в виде выделения тепла. Это нецелевое потребление энергии влияет на две статьи расходов: затраты на эксплуатацию системы ИБП и на климатизацию. Чем меньше КПД, представляющий собой соотношение полученной и отданной мощности, тем больше электроэнергии преобразуется в тепло, что, в свою очередь, усиливает потребность в охлаждении.

Поскольку на протяжении десятилетнего срока службы систем ИБП каждый дополнительный процент КПД не только заметно сокращает эксплуатационные расходы, но и снижает выброс CO2, новые концепции ИБП фокусируются на повышении КПД (см. Рисунок 1). Современные устройства, как правило, обеспечивают хорошие показатели КПД, которые составляют 92% и более. Дальнейшие улучшения возможны благодаря применению передовых вентилей статических преобразователей тока. Системы с цифровыми компонентами на биполярных транзисторах с изолированным затвором (Isolated Gate Bipolar Transistor, IGBT) позволяют добиться значений КПД более 96%. В новейших системах эта технология используется не только в инверторах, но и в выпрямителях.

ПОВЫШЕНИЕ КПД

Однако достижение высокого КПД возможно лишь при правильной нагрузке на системы ИБП. Оптимальная загруженность при постоянной работе составляет 70-90%. Прежде чем принимать решение о приобретении, у производителя следует поинтересоваться относительно способа измерения конкретного КПД. Как правило, его значение указывается для эксплуатации при полной нагрузке, причем измерение КПД осуществляется в реальной инсталляции.

Лишь немногие системы ИБП работают на пределе своих возможностей. Традиционна частичная загрузка, особенно при избыточном оснащении, столь характерном для центров обработки данных, т. е. следует исходить из более низких показателей КПД при частичной загрузке, а значит, из большой потери энергии.

Именно на эту проблему направлено внимание при разработке современных подходов к дальнейшей оптимизации. Цель — добиться того, чтобы при эксплуатации систем ИБП в режиме неблагоприятной нагрузки КПД не ухудшался столь значительно, как раньше. За последнее время в этом направлении достигнут большой прогресс. К примеру, Alpha Technologies включила в свой продуктовый портфель серию устройств ИБП с КПД выше 96% при полной загрузке, причем его значение не опускается ниже 92% в случае малой загруженности. Такими характеристиками модель обязана технологии «фиксации нейтральной точки» (Neutral Point Clamp, NPC).

Для преобразования постоянного тока из батареи в переменный ток в двойных преобразователях класса VFI SS III применяются полумостовые (Half Bridge) инверторы. Ориентируясь на некоторую точку отсчета (как правило, нулевую), традиционные преобразователи работают с двумя уровнями напряжения. В современных ИБП вместо обычных двухуровневых преобразователей (2-Level Inverter) устанавливаются инверторы на основе трехуровневого NPC. Эти преобразователи среднего напряжения оказываются очень эффективными в широком диапазоне частот переключений.

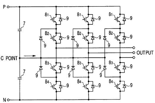
Для реализации такого подхода вентили статических преобразователей тока (IGBT) соединены последовательно и работают через фиксирующие диоды (Clamp Diodes) и конденсаторы промежуточного контура в так называемом трехуровневом режиме (Three Level Mode) (см. Рисунок 2). Тем самым достигается более рациональное использование полупроводниковых переключателей, а кривая выходного напряжения становится гораздо ровнее. При одновременном сокращении гармонических колебаний, воздействующих на систему в виде искажений, КПД значительно повышается.

Что из этого следует? Прежде всего, меньшее искажение напряжения, причем при любой степени загруженности системы. Далее, при высоких напряжениях становится возможным использование компонентов, предназначенных для более низких напряжений. Решающее преимущество: теряемая мощность сокращается до минимума. Теперь на входе и выходе можно реализовать трехфазные системы ИБП, не чувствительные к колебаниям напряжения и нагрузки. Одновременно обеспечиваются идеальный синусоидальный сигнал и максимальная электрическая мощность.

Стоимость системы 40 кВА с технологией NPC превышает стоимость систем такого же уровня мощности традиционной конструкции вследствие применения более дорогих компонентов на выходе. Однако дополнительные затраты на приобретение технически более совершенного решения окупаются, по оценкам производителя, уже через год: экономия потребляемой электроэнергии составляет около 8700 кВтхч. Это снижает расходы на электроэнергию при эксплуатации ИБП приблизительно на 1900 евро в год, а на охлаждение — до 600 евро. Выброс CO2 сокращается на 6 т.

Марк Дойрингерменеджер по продажам в Alpha Technologies.


Рисунок 2. Так называемый трехуровневый режим способствует наиболее рациональному использованию полупроводниковых переключателей.