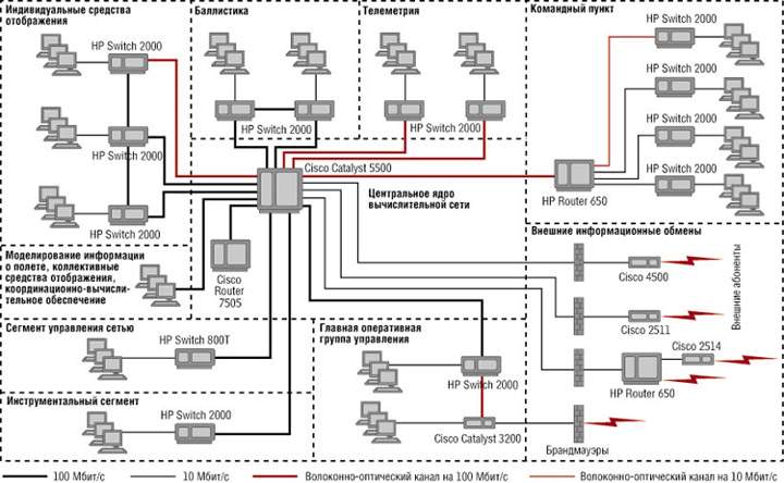
Рисунок 1. Схема вычислительной сети Центра управления полетами.